Website on alibaba: whfn.en.alibaba.com
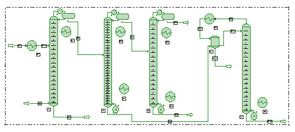
The distillation tower adopts method of heating distillation to separate various substances which are different boiling points、densityand volatility from different equipments, thereby obtaining higher purity alcohol. It is used widely in fermentation, chemical industry, metallurgy, light industry, textile, alkali production, pharmaceutical, pesticide, electroplating, electronics and other fields.
It is used widely in fermentation, chemical industry, metallurgy, light industry, textile, alkali production, pharmaceutical, pesticide, electroplating, electronics and other fields.
(1) Obvious economic benefits, low energy consumption and low operating costs.
(2) The land area is small, and there are few supporting facilities for public works.
(3) especially be suitable for heat-sensitive materials, stable product quality.
(4) High degree of automation, reducing human factors misoperation and stable operation.
